Computer Power Pack Circuit Diagram

Computer Power Pack Circuit Diagram. Web a circuit diagram (or: Web laptop charger circuit from 12v battery homemade projects.

Computer Power Supply Hardware Technical Support
Computer Power Supply Hardware Technical Support from hardwaretexpert.blogspot.com

It provides a detailed visual representation of how the laptop battery works and how its components interact with each other. 65w 18 5v 3 5a laptop charger 7 4x5 0mm 2 7m power adapter for hp 520c q515 820 g1 g2 2510p 2210b 2133 2230s us plug s. Web laptop charger circuit from 12v battery homemade projects.

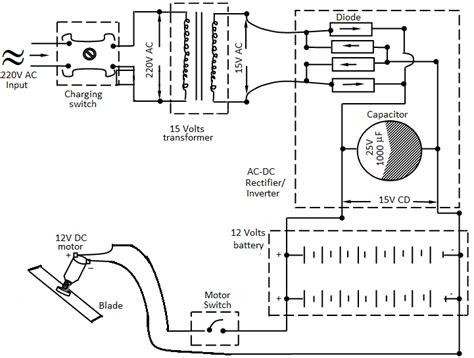
Web The Following Post Explains How To Build A Simple Laptop Power Bank Circuit Which Can Be Used For Charging A Laptop Battery During Travelling Or During Outdoor Trips.


Web a pc power supply circuit diagram is a diagram that illustrates the electrical connections of the power supply to the other components of the computer. Hydraulic circuits | hydraulic power pack wikipedia; A hydraulic circuit is a system comprising an interconnected set of discrete components that transport liquid.

Web Schematic Diagram Of Hydraulic Power Pack ;


Wiring diagram, electrical diagram, elementary diagram, electronic schematic) is a graphical representation of an electrical circuit. It is an old schematic of 200w pc power supply. Here in this circuit we have used a potentiometer to set.

Regulator Ic Lm317T Is Arranged In Its Standard Application.


Laptop charger circuit from 12v battery homemade projects. Web this is the typical laptop battery system diagram. Many people chose to carry a backed up battery.

We Explain Full Smps Circuit Very Easily In Hindi.


18650 lithium cell is the important part of this power bank circuit. And another alternative is buying the portable power pack in order to solve this problem. Web power bank mobile charger circuit using lm1086.

Web A Laptop Battery Circuit Diagram Is An Electrical Diagram Outlining The Various Components Of A Laptop Battery Such As The Current Regulator, Battery Cell, And The Charge And Discharge Cycles.


Web power bank circuit diagram: Web the diagram shows the circuit of the desktop power supply. Note that in this scheme the current always flows through two diodes of the rectifier bridge.