Compander Circuit Diagram

Compander Circuit Diagram. Web universal compander circuit diagram the ic contains two almost identical circuits, of which one (pins 1 to 9) is arranged as an expander. 2 shows a circuit diagram of a preferred embodiment of an expander circuit in accordance with my invention and which forms the other part of a compander;

Audio Compander Circuit
Audio Compander Circuit from www.electroschematics.com

Web construction of a commutator. 3 shows a chart illustrating the operation of the compressor and expander circuits of. Web the v575m is a precision dual gain control circuit designed for low voltage applications.

The Arrangement Of These Blocks In The Ic Result In A Circuit Which Can Perform Well With Few External Components, Yet Can Be Adapted To Many Diverse Applications.


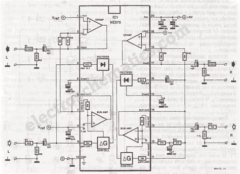
Web speech processing can be done by this circuit. The ne575's channel 1 is an expander, while channel 2 can be configured either for expander, compressor,or automatic level controller (alc) applications. The companding process ( input compression , output as expander ) is improving the signal/noise ratio on a communication line.

Here Is The Schematic Diagram Of This Circuit :


Web the v575m is a precision dual gain control circuit designed for low voltage applications. Web (c) initial equivalent circuit (d) equivalent circuit after half rotation. The rectifier capacitor (c9) is not grounded, but is tied to the output of an op amp circuit.

The Dynamic Range Of A Signal Is Compressed Before Transmission And Is Expanded To The Original Value At The Receiver.


The electronic circuit that does this is called a compander and works by compressing or expanding the dynamic range of an analog electronic signal such as sound recorded by a microphone. Web universal compander circuit diagram the ic contains two almost identical circuits, of which one (pins 1 to 9) is arranged as an expander. Thus “commutation” is the process of converting ac voltage into dc.

The Heart Of This Is A Capsule With A Fixed Backplate And Thin Flexible Diaphragm That Is “Metalized” So It Will Be Conductive.


The commutator reverses the current flow within a winding when the shaft turns. Web contexts in source publication. We know that the emf induced into the rotating conductor is always sinusoidal.

Web This Circuit For A High Fidelity Compressor Uses An External Op Amp, And Has A High Gain And Wide Bandwidth.


The v575m’s channel 1 is an expandor while channel 2 can be configured either for expandor, compressor or automatic level controller (alc) application. The pin assignments and application circuit are optimized for easy pcb layout and cost saving. 1 shows a circuit diagram of a preferred embodiment of a compressor circuit in accordance with my invention and which forms part of a compander;